
一般輕觸開關常規的小規格尺寸區分有2x4、3x4輕觸開關、4x6輕觸開關等類型,不過這對于規格尺寸不一的開關,一般在開關的購買上是不能亂選購的。因為每種規格不同的開關,不管是規格尺寸、功能特點、用途等各項性能參數上都是有所不同的,否則冒然隨便亂選擇規格,一來選擇規格尺寸不同的開關不符合要求應用,是安裝不了開關使用的,二來后置也會造成一些不必要的產品成本費用增加。那么以4x6輕觸開關來說,各位是否對此規格的產品有所了解呢?例如它的功能特性有哪些?以及它應用于哪些場景的使用呢?想必大家非技術人員,平時也很少有去接觸開關元件的產品了解吧。那接下來主要為大家講述一下關于4x6輕觸開關的功能特點解析及產品用途說明等內容。
產品介紹:
輕觸開關TS-1181GJ,目前一般市面又廣泛稱為“不拉心按鍵開關”,其開關的規格尺寸為4x6輕觸開關,耐磨壽命上可反復承受高達50000次不等,封裝類型上區分膠帶包裝、編帶包裝等,一般用戶請依據自身的需求選擇。
技術參數:
接觸電阻:≤100Ω
絕緣電阻:≥100MΩ
額定電流:50MA 12vdc
驅動力:160±30GF
接觸電阻:≤0.05Ω
行程:0.25mm±0.1mm
機械壽命:50000次
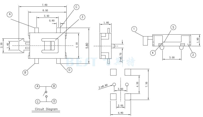
輕觸開關TS-1181GJ參考圖紙

產品介紹:
輕觸開關TS-1189E,目前一般市面上又廣泛俗稱為“大烏龜按鍵開關”,其開關基體由四個貼片引腳組成,開關內外貼有一層防塵膜,引腳類型上區分有帶定位柱、不帶定位柱等規格選擇。目前輕觸開關TS-1189E一般的用途主要用于:數碼產品、音響設備、電子玩具、通訊器材、家用設備等領域上使用。
輕觸開關TS-1189E技術參數
使用范圍溫度:-20℃~70℃
額定值:DC 12V 50mA
接觸電阻:≤50mΩ
保存溫度范圍:-30℃~80℃
絕緣電阻:≥100 MΩ
機械壽命:50000次
輕觸開關TS-1189E參考圖紙

最后還要講述一點關于4x6輕觸開關的尺寸誤差問題,雖然常規的尺寸為4x6輕觸開關,但一般目前大多數的規格開關產品,其都是存在一些尺寸誤差的狀況。例如誤差尺寸為4.2x6.5、4.1x6.3、4x7等規格,若不在挑選時了解清楚開關的尺寸問題,由此也很容易會造成購置到不適用的產品。因此務必提醒大家在選購開關當中,除了不但要了解開關的各項性能參數外,還要多加注意核實清楚該開關的相應規格尺寸是否符合自身的需求使用。

Copyright © 廣東精密龍電子科技有限公司 版權所有 粵ICP備17035144號 粵公網安備44130202001184號
全國服務電話:0755-83205533 傳真:0755-83761155
公司地址:深圳市龍崗區龍崗大道8288號深圳大運軟件小鎮45棟2樓

